Optimizing Beam Voltage - SEM

What is beam voltage? Beam voltage is a measurement of the potential energy of the electrons in the electron beam. In an SEM, beam voltage has two major impacts on your image: penetration depth (i.e. interaction volume) and signal intensity. No two samples are the same, so no single beam voltage is good for all samples!  Below is a guideline to help you optimize beam voltage for your sample. 

Shallow Penetration Depth

  • Ideal for evaluating the surface of samples.
  • Allows resolution of small surface features.
Low Intensity
  • Shallow penetration depth means that the electron beam interacts with fewer atoms in the sample, producing fewer secondary electrons for SE imaging. 
  • A lower voltage incident beam leads to lower voltage backscattered electrons which are less likely to be detected in BSE imaging. 

Deep Penetration Depth

  • Causes fine surface detail to become blurred, or vanish completely. 
  • Can cause surface edges to look semi-transparent, making the image appear blurry.
High Intensity
  • Produces high intensity SE images because the electron beam interacts with a larger volume in the sample to produce a large number of secondary electrons. 
  • The high voltage of the incident beam leads to high voltage backscattered electrons which are easily detected in BSE imaging. 

Minimizes Penetration Depth

  • An optimal beam voltage minimizes penetration depth to avoid losing any features of interest. 
Sufficient Intensity
  • An optimal beam voltage produces sufficient intensity without compromising penetration depth. 
  • If intensity is still too low to produce high quality images, beam current and dwell time can be adjusted to improve signal to noise (S/N). 

Shallow Penetration Depth

  • Ideal for evaluating the surface of samples.
  • Allows resolution of small surface features.
Low Intensity
  • Shallow penetration depth means that the electron beam interacts with fewer atoms in the sample, producing fewer secondary electrons for SE imaging. 
  • A lower voltage incident beam leads to lower voltage backscattered electrons which are less likely to be detected in BSE imaging. 

Deep Penetration Depth

  • Causes fine surface detail to become blurred, or vanish completely. 
  • Can cause surface edges to look semi-transparent, making the image appear blurry.
High Intensity
  • Produces high intensity SE images because the electron beam interacts with a larger volume in the sample to produce a large number of secondary electrons. 
  • The high voltage of the incident beam leads to high voltage backscattered electrons which are easily detected in BSE imaging. 

Minimizes Penetration Depth

  • An optimal beam voltage minimizes penetration depth to avoid losing any features of interest. 
Sufficient Intensity
  • An optimal beam voltage produces sufficient intensity without compromising penetration depth. 
  • If intensity is still too low to produce high quality images, beam current and dwell time can be adjusted to improve signal to noise (S/N). 

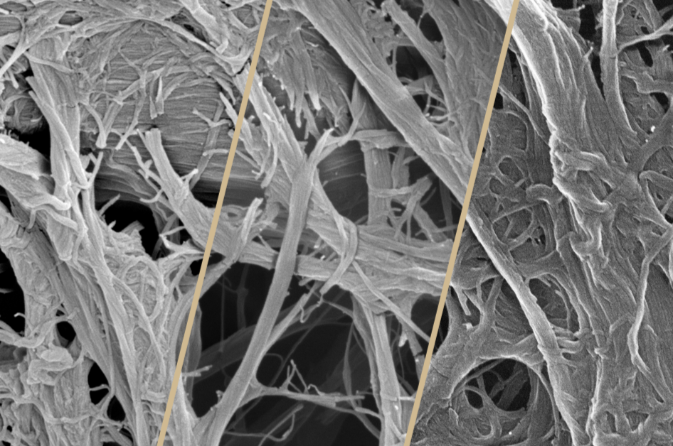
Paper imaged using 5 kV.
Paper imaged using 10 kV.
Paper imaged using 30 kV.

Interested in learning more about optimizing SEM parameters?  Learn about beam current next!  Or use the side menu to navigate to another SEM training topic, or back to the home page. 

Click the button to the right to keep on learning!

On to Beam Current!

Click the button to the right to keep on learning!

On to Beam Current!
Please send any questions/comments/concerns regarding the content on this page to snbienz@purdue.edu.